
冷热一体机使用来看看欧能机械图文详解!冷热一体机通过电加热管/压缩机,可实现对被控温物件进行升温/降温的自动控制。整套设备以电为热源、压缩机来制冷,导热油为载体,利用循环泵强制循环,将能量输送到控温物体进行换热,继而返回重新继续加热/冷却的直流式控温设备。如此周而复始,实现热量的连续传递,使被控温物体温度升高/降低,达到加热/冷却等恒温的工艺要求。
冷热一体机的主要功能:加热、冷却、PLC人机交互、自动化控温、高精度温控等。冷热一体机的别称:加热/冷却控温设备、水循环冷热一体机、油循环冷热一体机、双机一体机、冷热切换模温机、加热/冷却一体机等
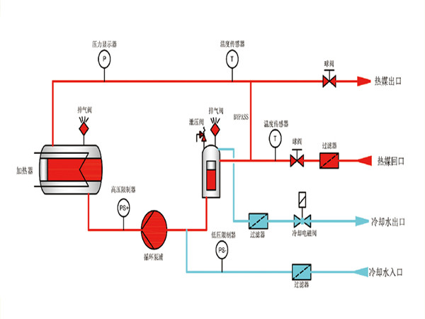
冷热一体机的管路原理图如下:
那么,如何使用冷热一体机呢?欧能机械结合以上原理图,为大家提供以下几点,请参考:
1、冷热一体机其内部是有加热/冷却双循环系统的。大家在第一次使用的时候,一定要看清机器上面的标牌。如,媒介进、出口、补水口进、出口处等等。要根据正确的方式连接,防止导热油、循环水之间接反。
2、如上图所示,红色线路部分是导热油/热水加热循环部分,另一蓝色部分是循环水。相信大家在链接红色部分的时候都没有什么问题。而循环水部分需要注意下,要确保冷却水塔过来的冷却水的清洁度、温度、压力、流量。这些数据都需要看冷热一体机的说明书,或者咨询冷热一体机生产厂家确认。如果不能达到标准的话,会影响机器的使用寿命、制冷效果等。
3、冷热一体机,在第一次使用或者更换过内部导热油/循环水的时候,需要在开机时把温度设定在“0℃”让其自行运行10Min左右,看机器的压力表如果是正常且稳定的时候,才可以开始加热。
4、冷热一体机,在关机的时候,也是需要把温度设定在“0℃”或者把电加热功率调整在停止挡,运行20Min左右,使加热管的表面温度降下来后才可以关机。
5、冷热一体机在节假日长时间不使用的时候,需要把循环水(热水、冷却水)都放出来,并且用压缩空气吹干。
冷热一体机相对水温机、油温机来说,会比较复杂一些。如果有需要详细了解的朋友欢迎访问南京欧能机械有限公司的官网或来电咨询。